欢迎光临~珠海施诺电力科技有限公司
语言选择: 中文版 ∷  英文版

高压微机保护

  • S3A系列带独立操作回路的保护装置
S3A系列带独立操作回路的保护装置

S3A系列带独立操作回路的保护装置

  • 产品描述:S3A系列


带独立操作回路的保护装置

型号:S3A系列

说明:

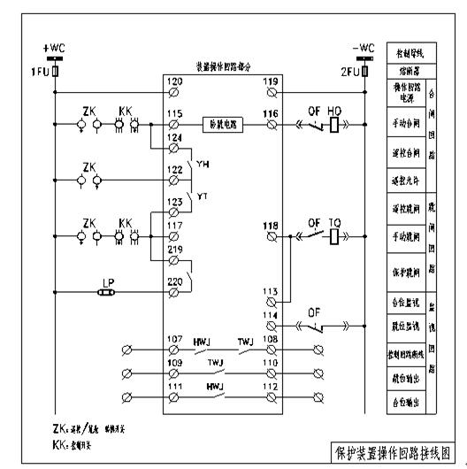
1、独立的操作回路

装置设置独立的操作回路以起到防跳作用。

操作回路按照典型的外接“合闸回路”、“跳闸回路”、“控制电源”内置“跳闸位置继电器”、“合闸位置继电器”模式设计,原理也采用典型的“电流启动、电压保持”串联防跳模式。

防跳回路事宜图:


2、保护功能及其它技术参数、指标

保护功能以及其它技术参数、指标与本公司S31系列保护一致,请参照本网站相关资料。

3、产品结构

本系列产品采用V-1型结构。




上一个:智能换相开关 下一个:配网自动化终端